Line Guide Controller EPC-D12
Next Product:
Electric Eye Camera CCD SensorBack Product:
Web Guide Controller EPC-A10Detailed Product Description
Features:
Line Guide Controller EPCA12 Type is an optional deviation rectification controller,
which can follow the tracks of materials’ edge or printing lines to perform the differential motion swing.
EPC-A12 consists of large scale of industrial integrated circuit and has the advantages of strong anti-interference performance in the rugged environment, high reliability and long life-time, etc.
It is very suitable for continuous production in the packing industry.
In addition, it is widely used in the equipments of plastic and thin film splitting machines, other splitting machines,
coating machines, printing machines and compound machines, etc.
EPC-A12 can match with the switch value transducer and synchronous motor electric actuator to form a stable and reliable deviation rectification system.
Specification:
1. Manual/automatic operation
2. Adjustable responding speed
3. Can used for edge-alignment and the line-alignment
4. Limit input
5. Single/double electric eye(s)
6. Accuracy of deviation rectification<=1mm
7. Drive:single phrase synchronous motor

Principle:

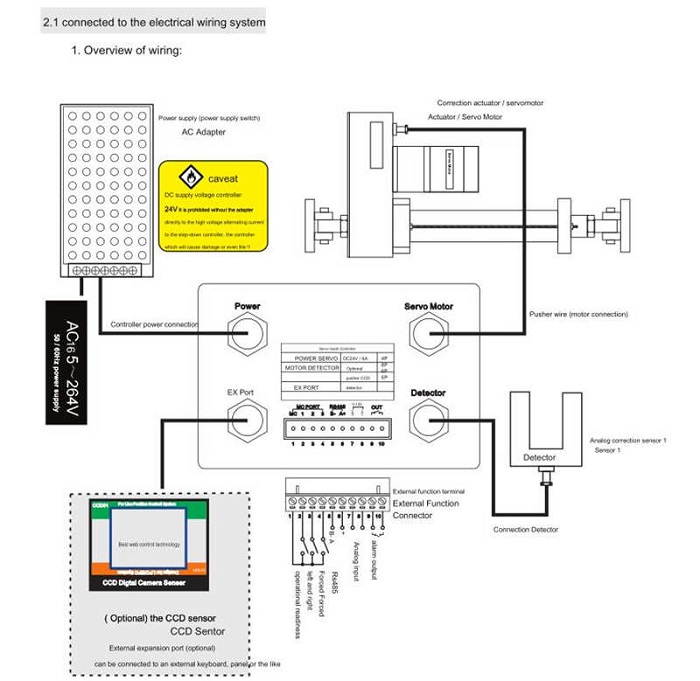
Wire Diagram:


Installation:

Other Products




